Тройник воздуховода




Применение тройников воздуховодов
Тройник воздуховода - это элемент фасонных изделий, применяемый в системах вентиляции и кондиционирования для разветвления каналов воздуховодов. Прямоугольные тройники значительно облегчают прокладку каналов в разветвленных сетях с прямоугольными сечениями воздуховодов и позволяют с наименьшими гидравлическими потерями присоединить ответвления к магистральным воздуховодам.
Конструкция тройника воздуховода
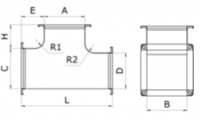
Конструкция тройника – это прямой участок прямоугольного воздуховода с врезкой в него присоединительного отвода, позволяющий присоединяться как по вертикали, так и по горизонтали.
Для производства прямоугольных тройников воздуховодов используется различный металл в зависимости от назначения объекта:
- оцинкованная сталь
- нержавеющая сталь
- черная сталь
Стандартно оцинкованные тройники воздуховодов изготавливаются с фланцами из шины (20 или 30) или со свободным фланцем (указывается при заказе).
Прямоугольные тройники из черной стали имеют приварные фланцы из уголка или также выпускаются со свободным фланцем.
Прямоугольный тройник имеет несколько стандартных типов исполнения:
Тип 1: В прямой участок воздуховода врезается отвод прямоугольного сечения с закругленным радиусом в месте врезки.
Стандартно Н, Е - 100 мм; R1, R2 – 100 мм
Тип 2: Соединение врезки и прямого участка воздуховода осуществляется под прямым углом
Стандартно: Н-100 мм
Тип 3: Врезка имеет круглое сечение.
Цены на тройники воздуховодов
В таблице приведены розничные цены на наиболее заказываемые размеры прямоугольных тройников из оцинкованной стали. Рассчитаем в день обращения тройники воздуховодов по Вашим сечениям - направляйте нам заявку для расчета цены со скидкой.
Сечение воздуховода (АхВ), мм | Сечение врезки (CхD), мм | Монтажная длина (L), мм | Толщина стали, мм | Площадь, кв м | Цена с НДС, за ед |
---|---|---|---|---|---|
100х100 | 100х100 | 400 | 0,5 | 0.22 | 308 руб |
150х150 | 150х150 | 400 | 0.36 | 504 руб | |
200х200 | 200х200 | 500 | 0.52 | 489 руб | |
200х200 | 100х100 | 400 | 0.38 | 532 руб | |
250х250 | 250х250 | 550 | 0.7 | 658 руб | |
250х250 | 200х200 | 500 | 0.62 | 583 руб | |
300х300 | 300х300 | 600 | 0.9 | 846 руб | |
300х300 | 200х200 | 500 | 0.72 | 677 руб | |
350х350 | 350х350 | 650 | 1.12 | 1 053 руб | |
350х350 | 100х100 | 400 | 0.62 | 868 руб | |
400х400 | 400х400 | 700 | 1.36 | 1 414 руб | |
400х200 | 200х200 | 500 | 0,7 | 0.92 | 957 руб |
500х500 | 500х500 | 800 | 1.9 | 1 976 руб | |
500х500 | 200х200 | 500 | 1.12 | 1 165 руб | |
600х600 | 400х400 | 700 | 1.92 | 1 997 руб | |
600х600 | 600х600 | 900 | 2.52 | 2 621 руб | |
800х800 | 400х400 | 700 | 2.48 | 2 579 руб | |
800х800 | 600х600 | 900 | 3.24 | 3 370 руб | |
800х800 | 800х800 | 1100 | 4 | 4 160 руб | |
1000х1000 | 400х400 | 700 | 1 | 3.04 | 4 195 руб |
1000х1000 | 600х600 | 900 | 3.96 | 5 465 руб | |
1000х1000 | 800х800 | 1100 | 4.88 | 6 734 руб | |
1000х1000 | 1000х1000 | 1300 | 5.8 | 8 004 руб | |
1200х1200 | 400х400 | 700 | 3.6 | 4 968 руб | |
1200х1200 | 600х600 | 900 | 4.68 | 6 458 руб | |
1200х1200 | 800х800 | 1100 | 5.76 | 7 949 руб | |
1200х1200 | 1000х1000 | 1300 | 6.84 | 9 439 руб | |
1200х1200 | 1200х1200 | 1500 | 7.92 | 10 930 руб |